AgTalk Home
AgTalk Home
Search Forums | Classifieds (58) | Skins | Language
You are logged in as a guest. ( logon | register )

JD 2030 tank style block heater
View previous thread :: View next thread
   Forums List -> Machinery TalkMessage format
 
Von WC Ohio
Posted 5/20/2020 15:58 (#8269719)
Subject: JD 2030 tank style block heater



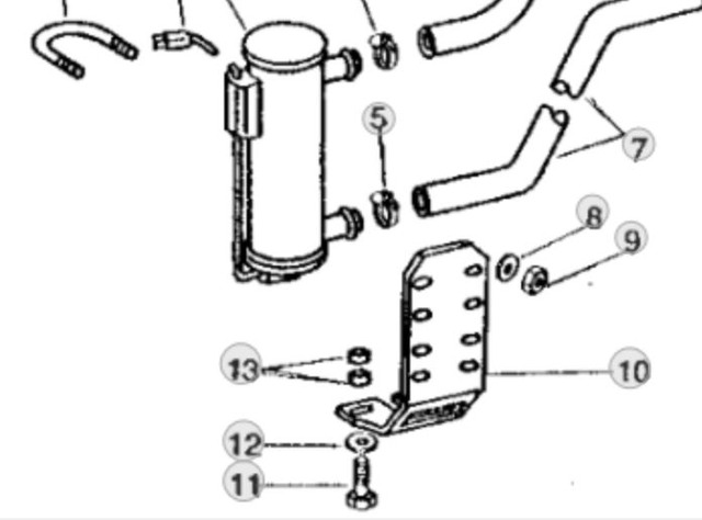
Original 1973 block heater finally stopped working on my 2030 tractor this winter.

The original style AT27413 is of course NLA.

It is a small diameter tube with inlet and outlet both exiting out the side and tucks neatly inside the frame rail.

This setup allows for a couple gentle sweeping runs of short hose from the tank heater to the block.

The Deere replacement item is this large aluminum unit with one side port and the other coming out the top. (I suspect it is similar to the Kats version.)

Of course it is way too bulky to tuck neatly in side the frame rail and I'm not paying JD's $100+ thievery price for their mounting bracket and $10 U-bolts.

It came with a flat wrap around bracket that fits between lugs molded on the Aluminum body.

I also have a couple u bolts I could use.

So I have various questions on this.

#1 Is there any sources out there for the original small diameter style heater. With both ports in the side ?

#2 Has anyone ever changed over to the new style  on a similar set up and do you have any pics of how you mounted this ? I'll likely make my own brackets but will probably have to move my toolbox as well.

 #3 Which would be better staying with flat strap, using U-bolts or finding some cushion clamps of the right size lined with rubber to prevent vibration wear and dissimilar metal corrosion  like these ?

#4 Also would buying some hose with a molded end help alleviate the bend coming out of the top going back to the block ? I can foresee pinching and hose collapse being an issue with the sharper bends being required.

#5 Is there a better material for the hoses ? Rubber seems to be fine I've only replaced them one time in all these years.

I don't  want to disturb the elbows in the block so I think I am stuck figuring out a way to make the current fittings and angles work with an outside the frame rail mounting setup.

 

Top of the page Bottom of the page


Jump to forum :
Search this forum
Printer friendly version
E-mail a link to this thread

(Delete cookies)